浙江阿特科思流体科技有限公司

ZheJiang Uttox Fluid Technology Co., Ltd.

info@uttox.com
+86-13656834410
CATEGORY

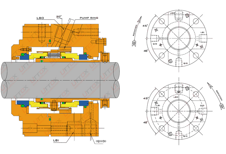
Type: UT-QBW

——————————————————————————————————————————————————————————————————-


·
·
Operating Limits:
·
·
● Temperature:-20℃ - +120℃

● Pressure:≤ 80bar

● Speed: ≤ 15m/s

● Shaft size: 50mm - 120mm

       


·
·
_ _ _ _ _ __ _ _ _ __ _ _ _ _ _ _  _ _ _ _ _ _  _ __ _ _ _ _ _ _ _ _ _ _ _ _ 
Materials:

● Seal Rings: A,B,Q1/12,Q2/22, 

                        U1/12,U2/22

● Elastomer: V, E, X
● Metal Part: F, G, M5, S9
 __ _ _ _ __ _ _ _ __ _ _ __ _ _ _ __ __ _  _  _  _  _  _ _ __ _ _ _ _ _ _ 
·
 __ _ _ _ __ _ _ _ _ __ _ _ _ __ __ _ _ __ _ _ __ _ _ __ _ _ __ _ _ _ _ _ _ 
Springs
RBSIC Seal Rings
SSIC Seal Rings
Tungsten Carbide Seal Rings
Carbon Seal Rings
O-rings
Encapsulated O-rings / FEP O-rings
Kalrez® O-rings
Chemraz® O-rings
Assembly Dwg: